4つのLEDの動作を流れるウィンカー動作と残光付き順送り点灯動作の2つのモードから選んで組み立てます。
点滅間隔は0.5秒から2秒の範囲で基板上の半固定抵抗で調節可能です。
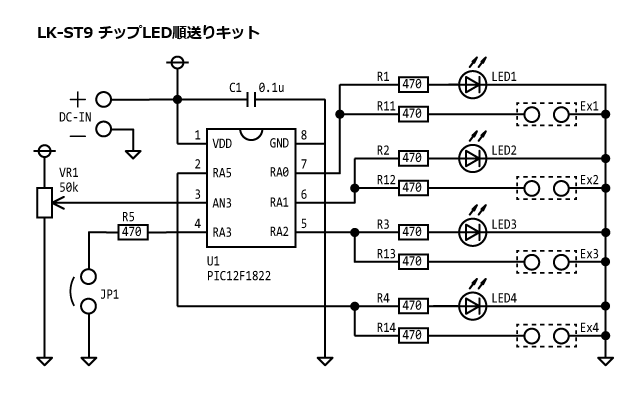
LED拡張端子付きで4個のLEDを追加できます。また別売のLK-ST5やLK-ST6の制御信号としても利用できます。
チップ形の抵抗、LEDに加えて8ピンの表面実装ICやチップ半固定抵抗のはんだ付けに挑戦できます。
●4コのLED動作を、流れるウィンカー動作、残光付き順次点灯動作から選べます。
●ボリュームで点滅間隔を調節可能


【 用意しましょう 】 はんだ付けに必要なもの
・ ピンセット(先が細いもの。)
・ フラックス(プリント基板用のもので無洗浄タイプのものに限る。)
・ φ1 ~ 0.6mm程度のはんだ
・ こて先が細いはんだごて はんだづけについて詳しくはこちら
( ※ 0.5~1 mm程度のもの。太いとはんだ付け不良になりやすい。)
・ はんだの状態を見るためのルーペや、スマートフォンのカメラがあると便利です。
【 LEDを追加する 】
Ex1~Ex4の端子にLEDを追加できます。
Kの表示がある方がLEDのK側です。別売のコード付きチップLED、AP-L21~AP-L25とも簡単に接続できます。
くわしくはこちらから >>: LK-ST9_LEDを追加する.pdf
【 LK-ST5やLK-ST6の制御信号としても利用する 】
LK-ST9とLK-ST5,LK-ST6を接続して点滅制御をすることができます。
くわしくはこちらから >>: LK-ST9_LK-ST5とLK-ST6を制御.pdf
【 LK-ST9 回路図 】
電源/3.5 V ~ 5 V
基板サイズ/ 30 × 20 mm
点滅間隔/約 0.5 ~ 2 秒
消費電流/10 mA
■部品サイズ
抵抗:1608mm
LED:1608mm 白
IC:SOIC8
コンデンサ:1608mm
半固定抵抗:3mm型
| 価格 | オープン |